KLOK Механизм подъемный/откидной (ал.): KLOK ALUM
• Предоплата 100% - необходимо внести для отгрузки заказа.
• 3-5 дней - поступление в магазин товара со статусом "В наличии на складе".
• Просим предварительно уточнять наличие товара у менеджеров.
| Артикул | KLOK ALUM |
| Ед. изм. | шт |
| Производитель | Ferrari |
| Тип открывания | поворотное вверх, откидное вниз |
| Тип механизма | механический |
Открывание фасада: поворотное вверх и откидное вниз
Комплектация: крепление к фасаду из ДСП и шестигранник в комплекте
Материал: металл
| Тип открывания | Цвет | Артикул |
|---|---|---|
| вверх | никель | KLOK WOOD |
| вверх* | KLOK ALUM | |
| вниз | KLOK WOOD/D |
его необходимо разобрать, перевернуть внутреннее кольцо и собрать заново.
Используется с петлями.
| MAX угол открывания | A, мм | B, мм | Max P×W для открывания KLOK |
|---|---|---|---|
| 75° | 157 | 189 | 5400 |
| 90° | 135,5 | 167,5 | 4000 |
| 105° | 121 | 153 | 3200 |
| Для оптимального подбора лифта предлагаем воспользоваться сервисом расчета веса фасада |
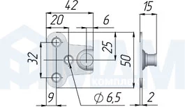
Крепление к боковине в комплекте
KLOK WOOD, KLOK WOOD/D и KLOK ALUM
Крепление на фасад из узкого рамочного профиля

Схема установки на поворотный вверх фасад
Схема установки на откидной вниз фасад
Шаг 1. Закрепите подъемный механизм таким образом,
чтобы регулировочный винт был направлен
внутрь короба
Шаг 2. С помощью шестигранного ключа
отрегулируйте силу торможения
подъемного механизма
| Количество механизмов в зависимости от габаритов и веса двери, а также максимального угла открывания | ||||||||||||||||||
|---|---|---|---|---|---|---|---|---|---|---|---|---|---|---|---|---|---|---|
| Высота, мм | P = 2 кг | P = 3 кг | P = 4 кг | |||||||||||||||
| 75° | 90° | 105° | 75° | 90° | 105° | 75° | 90° | 105° | ||||||||||
| М | Ф | М | Ф | М | Ф | М | Ф | М | Ф | М | Ф | М | Ф | М | Ф | М | Ф | |
| 300 | 1 | 1 | 1 | 1 | 1 | 1 | 1 | 1 | 1 | 1 | 1 | 1 | 1 | 1 | 1 | 1 | 1 | 1 |
| 350 | 1 | 1 | 1 | 1 | 1 | 1 | 1 | 1 | 1 | 1 | 1 | 1 | 1 | 1 | 1 | 1 | 1 | 2 |
| 400 | 1 | 1 | 1 | 1 | 1 | 1 | 1 | 1 | 1 | 1 | 1 | 1 | 1 | 1 | 1 | 2 | 1 | 2 |
| 450 | 1 | 1 | 1 | 1 | 1 | 1 | 1 | 1 | 1 | 1 | 1 | 2 | 1 | 1 | 1 | 2 | 1 | 2 |
| 500 | 1 | 1 | 1 | 1 | 1 | 1 | 1 | 1 | 1 | 1 | 1 | 2 | 1 | 1 | 1 | 2 | 1 | 2 |
| 550 | 1 | 1 | 1 | 1 | 1 | 1 | 1 | 1 | 1 | 2 | 1 | 2 | 1 | 2 | 1 | 2 | 1 | 2 |
| 600 | 1 | 1 | 1 | 1 | 1 | 1 | 1 | 1 | 1 | 2 | 1 | 2 | 1 | 2 | 1 | 2 | 1 | 2 |
| 650 | 1 | 1 | 1 | 1 | 1 | 2 | 1 | 1 | 1 | 2 | 1 | 2 | 1 | 2 | 1 | 2 | 1 | |
| 700 | 1 | 1 | 1 | 1 | 1 | 2 | 1 | 1 | 1 | 2 | 1 | 2 | 1 | 2 | 1 | 2 | 1 | |
| Количество механизмов в зависимости от габаритов и веса двери, а также максимального угла открывания | ||||||||||||||||||
|---|---|---|---|---|---|---|---|---|---|---|---|---|---|---|---|---|---|---|
| Высота, мм | P = 5 кг | P = 6 кг | P = 7 кг | |||||||||||||||
| 75° | 90° | 105° | 75° | 90° | 105° | 75° | 90° | 105° | ||||||||||
| М | Ф | М | Ф | М | Ф | М | Ф | М | Ф | М | Ф | М | Ф | М | Ф | М | Ф | |
| 300 | 1 | 1 | 1 | 1 | 1 | 2 | 1 | 1 | 1 | 2 | 1 | 2 | 1 | 1 | 1 | 2 | 1 | 2 |
| 350 | 1 | 1 | 1 | 2 | 1 | 2 | 1 | 1 | 1 | 2 | 1 | 2 | 1 | 2 | 1 | 2 | 1 | |
| 400 | 1 | 1 | 1 | 2 | 1 | 2 | 1 | 2 | 1 | 2 | 1 | 2 | 1 | 2 | 1 | 2 | 1 | |
| 450 | 1 | 2 | 1 | 2 | 1 | 2 | 1 | 2 | 1 | 2 | 1 | 1 | 2 | 1 | 1 | |||
| 500 | 1 | 2 | 1 | 2 | 1 | 1 | 2 | 1 | 2 | 1 | 1 | 2 | 1 | 2 | ||||
| 550 | 1 | 2 | 1 | 2 | 1 | 1 | 2 | 1 | 2 | 1 | 2 | 1 | 2 | |||||
| 600 | 1 | 2 | 1 | 2 | 1 | 1 | 2 | 1 | 2 | 1 | 2 | 2 | 2 | |||||
| 650 | 1 | 2 | 1 | 2 | 1 | 2 | 1 | 2 | 1 | 2 | 2 | |||||||
| 700 | 1 | 2 | 1 | 2 | 1 | 2 | 2 | 2 | 1 | 2 | 2 | |||||||
| Количество механизмов в зависимости от габаритов и веса двери, а также максимального угла открывания | ||||||
|---|---|---|---|---|---|---|
| Высота, мм | P = 8 кг | |||||
| 75° | 90° | 105° | ||||
| М | Ф | М | Ф | М | Ф | |
| 300 | 1 | 2 | 1 | 2 | 1 | 2 |
| 350 | 1 | 2 | 1 | 2 | 1 | |
| 400 | 1 | 2 | 1 | 1 | ||
| 450 | 1 | 2 | 1 | 2 | ||
| 500 | 1 | 2 | 1 | 2 | ||
| 550 | 1 | 2 | 2 | |||
| 600 | 1 | 2 | 2 | |||
| 650 | 1 | 2 | 2 | |||
| 700 | 2 | 2 | 2 | |||
|
| ||||||||||||||||||||

Характеристики
|
Артикул
|
DMD.KLOK ALUM |
Задать вопрос
Перед посещением магазина, просим Вас уточнять наличие товара у менеджеров.
На товары из разделов "Распродажа фурнитуры", "Комплекты фурнитуры" и со стикером "В магазине", правило не распространяется.
- Минимальная сумма заказа 2 000 рублей - Предоплата 100%
- Товары со статусом "В наличии на складе" поступают в магазин "Мир Уюта" в течении 3-5 дней.
Оплата
Совершить заказ в нашем магазине возможно только после внесения 100% предоплаты.Минимальная сумма заказа 2000 рублей для Физических лиц и Юридических лиц, действует на весь ассортимент, кроме товаров из раздела "Распродажа фурнитуры".
Способы оплаты:
- Оплата наличными в нашем магазине.
- Безналичный расчёт.
- Оплата банковской картой в магазине.
- Дистанционная оплата банковской картой на сайте
После внесения предоплаты, заказ резервируется.
Доставка
Наш интернет-магазин предлагает несколько вариантов доставки:
- Курьерская доставка;
- Самовывоз из магазина;
- Почта России.
- СДЭК, ПЭК, Деловые Линии.
Сроки доставки
В зависимости от вашего региона проживания, доставка занимает разное время.
|
Регион |
Курьерская доставка |
Самовывоз из магазина |
Почта России |
|
Москва и МО |
2 рабочих дня |
3 дней |
|
|
Урал и Поволжье |
5-7 рабочих дней |
— |
10 дней |
|
Сибирь |
8-10 рабочих дней |
— |
14-21 день |
О доставке в другие регионы России и страны СНГ уточняйте у менеджеров магазина.
Стоимость доставки
- Стоимость доставки курьером по Москве зависит от габаритов и веса заказа - от 400 рублей.
- При заказе длинномерного товара, который возможно доставить только грузовым транспортом (плинтуса, профили, цоколи), стоимость доставки будет по Москве составлять - от 2000 рублей.







































































