SI03 Винт для полкодержателя: VE08FZ
• Предоплата 100% - необходимо внести для отгрузки заказа.
• 3-5 дней - поступление в магазин товара со статусом "В наличии на складе".
• Просим предварительно уточнять наличие товара у менеджеров.
| Артикул | VE08FZ |
| Ед. изм. | шт |
| Производитель | Permo |
Материал: пластик/металл
Особенности:
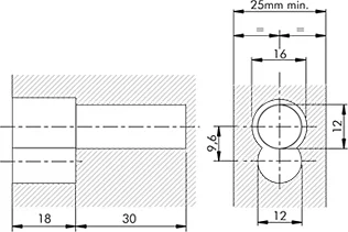
- минимальная толщина полки – 25 мм
- элегантный внешний вид готового изделия – полкодержатель полностью скрыт внутри конструкции
- на полку, зафиксированную полкодержателем SECRET, возможна установка петель и создание конструкций с газовыми лифтами (при дополнительной фиксации полки)
- быстрая и удобная установка полки без использования инструментов
- полка сама "находит" отверстия в боковине, не повреждая их благодаря специальной форме штока
- возможно неограниченное количество установок полки в конструкцию
Схема установки и габаритные размеры
Полка
| Боковина
|
Установка полки



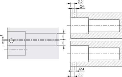
Дополнительная фиксация полки

Дополнительная фиксация полки осуществляется шестигранным ключом 2,5 через отверстие 4 мм
Снятие полки без инструмента

| "Полкодержатель SECRET" |

Характеристики
|
Артикул
|
DMD.VE08FZ |
Задать вопрос
Перед посещением магазина, просим Вас уточнять наличие товара у менеджеров.
На товары из разделов "Распродажа фурнитуры", "Комплекты фурнитуры" и со стикером "В магазине", правило не распространяется.
- Минимальная сумма заказа 2 000 рублей - Предоплата 100%
- Товары со статусом "В наличии на складе" поступают в магазин "Мир Уюта" в течении 3-5 дней.
Оплата
Совершить заказ в нашем магазине возможно только после внесения 100% предоплаты.Минимальная сумма заказа 2000 рублей для Физических лиц и Юридических лиц, действует на весь ассортимент, кроме товаров из раздела "Распродажа фурнитуры".
Способы оплаты:
- Оплата наличными в нашем магазине.
- Безналичный расчёт.
- Оплата банковской картой в магазине.
- Дистанционная оплата банковской картой на сайте
После внесения предоплаты, заказ резервируется.
Доставка
Наш интернет-магазин предлагает несколько вариантов доставки:
- Курьерская доставка;
- Самовывоз из магазина;
- Почта России.
- СДЭК, ПЭК, Деловые Линии.
Сроки доставки
В зависимости от вашего региона проживания, доставка занимает разное время.
|
Регион |
Курьерская доставка |
Самовывоз из магазина |
Почта России |
|
Москва и МО |
2 рабочих дня |
3 дней |
|
|
Урал и Поволжье |
5-7 рабочих дней |
— |
10 дней |
|
Сибирь |
8-10 рабочих дней |
— |
14-21 день |
О доставке в другие регионы России и страны СНГ уточняйте у менеджеров магазина.
Стоимость доставки
- Стоимость доставки курьером по Москве зависит от габаритов и веса заказа - от 400 рублей.
- При заказе длинномерного товара, который возможно доставить только грузовым транспортом (плинтуса, профили, цоколи), стоимость доставки будет по Москве составлять - от 2000 рублей.








































































